Представляем универсальный кронштейн, специально разработанный для надежного и безопасного крепления камер видеонаблюдения на столбы и мачты. Это высокопрочное крепление обеспечивает стабильную установку оборудования, гарантируя четкий обзор и максимальную эффективность вашей системы безопасности. Кронштейн является идеальным решением для объектов, где требуется установка камер на вертикальные опоры, обеспечивая простоту монтажа и долговечность эксплуатации.
КЛЮЧЕВЫЕ ОСОБЕННОСТИ И ТЕХНИЧЕСКИЕ ХАРАКТЕРИСТИКИ
Прочный материал. Изготовлен из высококачественного металла, что гарантирует исключительную прочность, устойчивость к коррозии и долгий срок службы даже в неблагоприятных погодных условиях.Универсальные размеры. Компактные габариты кронштейна обеспечивают удобство монтажа и интеграцию с различными моделями камер, не привлекая излишнего внимания к месту установки.
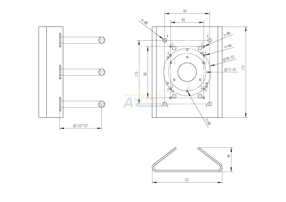
Оптимальный диаметр крепежа. Максимальный диаметр крепежа составляет 130 мм., что позволяет устанавливать кронштейн на широкий диапазон столбов и опор.
Габаритные размеры (ВxШxГ): 170x131x46 мм.
Материал: Металл.
ПРЕИМУЩЕСТВА И СФЕРЫ ЭФФЕКТИВНОГО ПРИМЕНЕНИЯ
Этот металлический кронштейн разработан для обеспечения максимальной надежности и безопасности при монтаже камер видеонаблюдения на столбы. Благодаря прочной конструкции и продуманным размерам, он подходит для широкого спектра применений, где требуется установка камер на вертикальные опоры. Его применение обеспечит:
- Безопасность и стабильность крепления камеры, предотвращая ее падение и смещение.
- Эстетичный внешний вид, так как кронштейн гармонично вписывается в городскую и производственную инфраструктуру.
- Долговечность эксплуатации благодаря использованию высококачественных материалов, устойчивых к внешним воздействиям.
Идеально подходит для следующих объектов:
- Городские улицы и парки;
- Промышленные территории и складские комплексы;
- Парковки и автостоянки;
- Объекты инфраструктуры и общественного назначения.
- Доставка по Москве (МКАД) с понедельника по пятницу.Стоимость рассчитывается в зависимости от веса и объема отправления.
- Доставка по Московской области и по России производится ТК СДЕК, ПЭК, Деловые линии по тарифам компаний. Оплата доставки производится после согласования стоимости менеджером интернет-магазина.
- Доставка заказа производится курьерской (транспортной) компанией в течение нескольких дней.с 10.00 до 18.00 часов.
- Самовывоз – бесплатно пн-пт. в рабочие дни с 9.30 до 18.00.
- Товар отгружается после 100% предоплаты.
- При оплате заказа юр. лицом по безналичному расчету для получения обязательно: наличие печати организации или действующей доверенности.
.png)